| 产品名称: | 伞齿轮闸阀 | 产品型号: | Z541W,Z560Y,Z562Y |
| 驱动方式: | 伞齿轮 | 连接形式: | 法兰,焊接 |
| 结构形式: | 楔式 | 密封结构: | 硬密封 |
| 压力范围: | 1.6MPa-32MPa | 公称通径: | DN50-900 |
| 常用材质: | 铸铁,铸钢,铬钼钢,不锈钢,等 | 铭牌: | 热力(上海)阀门制造有限公司品牌 |
| 产品说明 |
伞齿轮闸阀,伞齿轮焊接闸阀,伞齿轮焊接双闸板闸阀应用规范:
1.设计制造: GB/T 12234-89
2.结构长度:GBlT12221-89
3.法兰连接尺寸:GBlT 9113-2000,也可按用户要求采用JBlT74-94或HG20592-97标准生产。
4.阀体材料: WCB. ZGICr5Mo、ZG12CrMoV CF8、CF8M. CF3、CF3M
产品应用范围:安装水、汽管道上,作启闭装置用。
伞齿轮闸阀具有以下优点:
1、流体阻力小 , 密封面受介质的忡刷和侵蚀小。
2、开闭较省力。
3、介质流向不受限制 , 不扰流、不降低压力。
4、形体简单 , 结构长度短,制造工艺性好,适用范围广。
伞齿轮闸阀安装须知:
1. 阀门安装时必须垂直安装在水平管道上,介质可以从任何一侧进入。管道冲洗干净后,可案卷阀门。
2. 此阀在使用时,应全开或全关,不能作调节阀使用
PS.闸阀的优点:
(1) 流体阻力小 因为闸阀阀体内部介质通道是直通的,介质流经闸阀时不改变其流动方向,所以流体阻力小。
(2) 启闭力矩小,开闭较省力 因为闸阀启闭时闸板运动方向与介质流动方向相垂直、与截止阀相比,闸阀的启闭较省力。
(3)介质流动方向不受限制,不扰流、不降低压力介质可从闸阀两侧任意方向流过、均能达到使用的目的.更适用于介质的流动方向可能改变的管路中。
(4) 结构长度较短 因为闸阀的闸板是垂直置于阀体内的,而截止阀阀瓣是水平置于阀体内的,因而结构长度比截止阀短。
(5) 密封性能好 全开时密封面受冲蚀较小。
(6) 全开时,密封面受工作介质的冲蚀比截止阀小。
(7) 体形比较简单,铸造工艺性较好,适用范围广。
伞齿轮闸阀实物图片

|
型 号
Type |
公称压力
Nominal pressure |
试验压力Test pressure
|
工作温度(℃)
Working Temperature |
适用介质
Suitable Medium |
||
|
强度(水)Mpa
|
密封(水)空气(Mpa)
|
低压密封(空气)Mpa
|
||||
|
Z541W-64P(R)
|
6.4
|
9.6
|
7.0
|
0.6
|
≤200
|
ACETIC ACID
|
|
醋 酸 类
|
||||||
|
零件名称
Part name |
材 料Material
|
||
|
Z41Y-16i/25i/40i
|
Z41W-16P/25P/40P
|
Z41W-16R/25P/40R
|
|
|
阀体、阀盖
Body donnet |
铬 镍 钢
Ci Ni STEEL |
铬镍钛钢
Ci Ni Ti |
铬镍钼钛钢
Ci Ni Mo Ti Steel |
|
阀 板
Wedge gate |
合金钢+硬质合金
|
||
|
阀 杆
Stem |
合 金 钢
ALLoy steel |
||
|
阀杆螺母
Stem |
铝铁青铜 Al bronze
|
||
|
手 轮
Hand wheel |
灰铸铁、可铸锻铁 Castirom forageable casriron
|
||
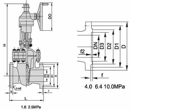
伞齿轮闸阀尺寸图:

Copyright © 热力(上海)阀门制造有限公司 www.rlshfm.com 版权所有 沪ICP备16044061号 SEO支持:丹若科技
全国服务电话:15901990488
021-57520210 传真:15901990488
公司地址:上海市奉贤区浦卫公路1602、1626号202室
网站:http://www.rlshfm.com/